Symbol PE w elektryce oznacza przewód ochronny, który odgrywa kluczową rolę w zapewnieniu bezpieczeństwa w instalacjach elektrycznych. Jego głównym zadaniem jest ochrona przed porażeniem prądem poprzez połączenie części przewodzących z uziemionym punktem sieci. Przewód PE jest zaprojektowany tak, aby nie przewodził prądów roboczych, a jego działanie jest kluczowe w sytuacjach, gdy dochodzi do uszkodzenia izolacji. Dzięki temu, w razie awarii, zasilanie jest automatycznie wyłączane, co znacząco zwiększa bezpieczeństwo użytkowników.
W artykule omówimy również normy dotyczące przewodu PE, w tym wymagania dotyczące kolorów oraz różnice między układami TN-S a TN-C. Przedstawimy praktyczne zastosowania przewodu PE w codziennych instalacjach elektrycznych, aby pokazać, jak ważny jest on w zapewnieniu bezpieczeństwa w naszych domach i miejscach pracy.
Najważniejsze informacje:
- PE to przewód ochronny, który łączy części przewodzące z uziemieniem.
- Zapewnia ochronę przed porażeniem prądem poprzez automatyczne wyłączanie zasilania w przypadku uszkodzenia izolacji.
- Izolacja przewodu PE powinna być w kolorze zielono-żółtym, zgodnie z normą IEC 60446.
- W instalacjach TN-S przewód PE działa niezależnie od przewodu neutralnego (N).
- W układzie TN-C przewód PEN pełni funkcję zarówno ochronną, jak i neutralną.
- Przewód PE jest kluczowy dla bezpieczeństwa użytkowników w budynkach mieszkalnych i komercyjnych.

Co oznacza symbol PE w elektryce i jego znaczenie dla bezpieczeństwa?
W elektryce symbol PE oznacza przewód ochronny, który jest kluczowym elementem w systemach elektrycznych. Jego główną funkcją jest zapewnienie bezpieczeństwa poprzez połączenie części przewodzących z uziemionym punktem sieci. Dzięki temu, w przypadku uszkodzenia izolacji, przewód PE automatycznie odłącza zasilanie, co chroni użytkowników przed porażeniem prądem. Przewód ten jest projektowany tak, aby nie przewodził prądów roboczych, co czyni go niezbędnym w każdej instalacji elektrycznej.
Znaczenie symbolu PE w kontekście bezpieczeństwa elektrycznego jest nie do przecenienia. Odpowiednie uziemienie i izolacja przewodu PE są kluczowe dla prawidłowego funkcjonowania instalacji elektrycznych. Właściwe użycie przewodu ochronnego PE nie tylko spełnia normy, ale także znacząco zwiększa poziom bezpieczeństwa w domach i obiektach komercyjnych.
Definicja przewodu ochronnego PE i jego funkcje w instalacji
Przewód ochronny PE, znany również jako przewód uziemiający, jest częścią instalacji elektrycznej, która ma na celu ochronę przed porażeniem prądem. Jego podstawową rolą jest prowadzenie prądu awaryjnego do ziemi w przypadku uszkodzenia izolacji innych przewodów. Przewód PE może występować w różnych formach, takich jak osobny przewód, izolowana żyła w kablu lub metalowa powłoka. Ważne jest, aby jego przekrój spełniał odpowiednie normy, co zapewnia skuteczność w działaniu.
W instalacjach elektrycznych przewód PE jest kluczowy dla bezpieczeństwa użytkowników. Jego obecność w systemie elektrycznym minimalizuje ryzyko porażenia prądem, a także umożliwia automatyczne wyłączanie zasilania w razie awarii. Właściwe zainstalowanie i użycie przewodu ochronnego PE jest niezbędne, aby zapewnić zgodność z przepisami oraz bezpieczeństwo osób korzystających z urządzeń elektrycznych.
Rola przewodu PE w ochronie przed porażeniem prądem
Przewód ochronny PE odgrywa kluczową rolę w ochronie przed porażeniem prądem. Jego głównym zadaniem jest prowadzenie prądu do ziemi w przypadku awarii, co minimalizuje ryzyko porażenia użytkowników. Kiedy izolacja innych przewodów ulegnie uszkodzeniu, przewód PE działa jako bezpieczna ścieżka, prowadząc prąd do ziemi i automatycznie wyłączając zasilanie. Dzięki temu, w sytuacjach awaryjnych, użytkownicy są chronieni przed niebezpieczeństwem, które mogłoby wynikać z kontaktu z prądem elektrycznym.
Obecność przewodu PE w instalacjach elektrycznych zapewnia wyższy poziom bezpieczeństwa w domach i obiektach komercyjnych. Właściwie zainstalowany przewód PE nie tylko spełnia normy, ale także zwiększa zaufanie użytkowników do systemów elektrycznych. Warto pamiętać, że jego skuteczność zależy od prawidłowego podłączenia i regularnej konserwacji, co jest kluczowe dla zapewnienia długotrwałej ochrony przed porażeniem prądem.
Wymagania normy IEC 60446 dotyczące kolorów przewodów
Norma IEC 60446 określa szczegółowe wymagania dotyczące kolorów przewodów w instalacjach elektrycznych, w tym przewodu ochronnego PE. Zgodnie z tą normą, przewód PE powinien być oznaczony kolorami zielonym i żółtym, co ma na celu łatwe rozpoznawanie go w instalacji. Właściwe oznaczenie kolorami jest kluczowe dla zapewnienia bezpieczeństwa i uniknięcia pomyłek podczas instalacji i konserwacji systemów elektrycznych. Norma wymaga, aby jeden z kolorów (zielony lub żółty) zajmował od 30% do 70% powierzchni izolacji, a drugi – pozostałą część. Takie oznaczenie ułatwia identyfikację przewodu ochronnego wśród innych przewodów w instalacji.
| Typ przewodu | Kolor |
| Przewód ochronny PE | Zielono-żółty |
| Przewód neutralny N | Niebieski |
| Przewód fazowy L | Brązowy, czarny lub szary |
Różnice między układami TN-S a TN-C w kontekście PE
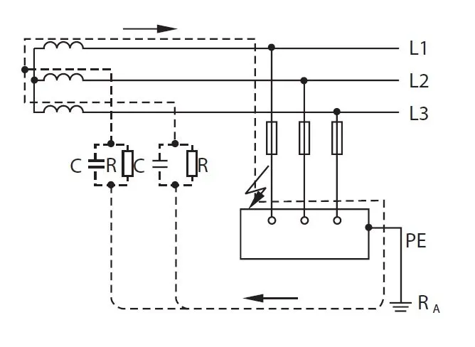
Układy TN-S i TN-C różnią się głównie w sposobie, w jaki traktują przewód ochronny PE. W systemie TN-S przewód neutralny (N) i przewód ochronny (PE) są oddzielne, co zwiększa bezpieczeństwo, ponieważ każdy z nich ma swoją własną funkcję. Przewód PE w tym układzie zapewnia ochronę przed porażeniem prądem, prowadząc prąd do ziemi w przypadku awarii. Z kolei w systemie TN-C przewód PEN pełni jednocześnie funkcję przewodu neutralnego i ochronnego, co może prowadzić do zwiększonego ryzyka, jeśli nie jest odpowiednio zarządzany.
W przypadku układu TN-C, przewód PEN jest wspólnym przewodem ochronno-neutralnym, co oznacza, że w sytuacji awarii prąd może płynąć zarówno jako neutralny, jak i ochronny. Taki układ może być mniej bezpieczny, zwłaszcza w przypadku uszkodzenia izolacji, ponieważ nie ma oddzielnego przewodu ochronnego, który mógłby skutecznie odprowadzić prąd do ziemi. Dlatego w sytuacjach, gdzie bezpieczeństwo jest kluczowe, preferowanym rozwiązaniem jest system TN-S, który oferuje wyższą niezawodność i lepszą ochronę przed porażeniem prądem.
Przykłady zastosowania przewodu PE w budynkach mieszkalnych
W budynkach mieszkalnych przewód ochronny PE jest kluczowym elementem zapewniającym bezpieczeństwo elektryczne. Na przykład, w nowoczesnych instalacjach elektrycznych, przewód PE jest zazwyczaj stosowany w gniazdkach, co pozwala na skuteczną ochronę przed porażeniem prądem w przypadku awarii urządzeń. W domach jednorodzinnych, przewód PE jest często łączony z systemem uziemienia, co zwiększa jego efektywność. W przypadku instalacji oświetleniowych, przewód PE jest również używany, aby zapewnić, że wszelkie metalowe części lamp są odpowiednio uziemione, co zapobiega niebezpiecznym sytuacjom.
Dodatkowo, w budynkach wielorodzinnych, przewód PE jest integralną częścią systemów zabezpieczeń, takich jak wyłączniki różnicowoprądowe, które automatycznie odłączają zasilanie w przypadku wykrycia nieprawidłowości. Dzięki tym zastosowaniom, przewód PE nie tylko spełnia wymogi norm, ale również znacząco zwiększa bezpieczeństwo mieszkańców.
Jak przewód PE wpływa na bezpieczeństwo użytkowników?
Obecność przewodu PE w instalacjach elektrycznych ma kluczowe znaczenie dla bezpieczeństwa użytkowników. Dzięki jego funkcji ochronnej, w przypadku uszkodzenia izolacji, przewód PE prowadzi prąd do ziemi, co minimalizuje ryzyko porażenia prądem. W sytuacjach awaryjnych, takich jak zwarcia, przewód PE umożliwia szybkie wyłączenie zasilania, co chroni użytkowników przed niebezpieczeństwem. Dodatkowo, przewód PE wspiera działanie urządzeń zabezpieczających, takich jak wyłączniki różnicowoprądowe, które są niezbędne w nowoczesnych instalacjach elektrycznych.
W praktyce, obecność przewodu PE w domach i budynkach komercyjnych znacząco zwiększa poziom bezpieczeństwa, co przekłada się na większe zaufanie użytkowników do systemów elektrycznych. Właściwe zainstalowanie i konserwacja przewodu PE są kluczowe dla zapewnienia długotrwałej ochrony przed porażeniem prądem.
Nowe technologie w zastosowaniu przewodu PE w budownictwie
Wraz z rozwojem technologii, zastosowanie przewodu PE w budownictwie staje się coraz bardziej zaawansowane. Jednym z najnowszych trendów jest integracja przewodów ochronnych z systemami inteligentnego zarządzania budynkiem. Dzięki temu, urządzenia monitorujące mogą na bieżąco oceniać stan przewodu PE oraz jego połączeń, co pozwala na szybką detekcję awarii i automatyczne wyłączanie zasilania w razie potrzeby. Tego rodzaju rozwiązania zwiększają nie tylko bezpieczeństwo, ale także efektywność energetyczną budynków.
Dodatkowo, w kontekście rozwoju odnawialnych źródeł energii, takich jak panele słoneczne, przewód PE odgrywa kluczową rolę w zapewnieniu bezpieczeństwa systemów fotowoltaicznych. Właściwe uziemienie i zastosowanie przewodu ochronnego PE w instalacjach solarnych jest niezbędne do ochrony zarówno urządzeń, jak i użytkowników. Zastosowanie innowacyjnych technologii, takich jak monitoring stanu przewodu PE, może znacznie poprawić bezpieczeństwo i niezawodność nowoczesnych instalacji elektrycznych.
